最完整的商用厨房设备系统解决方案
目录:
一、厨房的概念
二、厨房的分类
三、厨房的区域划分
四、厨房系统组成
五、厨房设备构成
厨房是为了满足人们的饮食需要而特定设置的用来从事烹饪活动,生产菜肴的场所。商用厨房类似餐饮行业的饭店、酒楼、餐厅以及工厂、院校、机关、部队、医院、企事业单位、火车、轮船的食堂(饭堂)等类型的厨房,该类厨房生产规模大,能够提供众多顾客同时用餐,由不同功能的工作区域或小型厨房组合而成。各工作区域或小型厨房分工明确,协调一致,承担上述企业或酒店大规模的生产出品工作。

厨房的分类:
A.按厨房的规模:
1.大型厨房-1500人左右
2.中型厨房-500人左右
3.小型厨房-150人左右
4.微型厨房-25人左右
B.按厨房的功能:
1.加工厨房—原材料在加热烹制或冷之前进行加工的场所。
2.热菜厨房—对原材料进行加热熟化的厨房。
3.冷菜厨房—对可以冷食和加热烹饪后冷食的菜进行加工改制,盘的场所。
4.面点厨房—加工面食、点心及其他主食的厨房。
5.饮品厨房—现代厨房饮品有着严格要求,包括瓶装饮料、散装(桶装)饮料、低酒精度饮品、进口饮料与红酒类。此类厨房的卫生防疫条件极高。
C.按餐饮类别区分:
1.中餐厨房—中餐饮食文化是我国的国粹。世界各地的华人街、强人街也主要经营中餐品种。中餐有8大菜系和百十个支系,上万种菜品。(八大菜系:川菜、鲁菜、苏菜、徽菜、闽菜、粤菜、湘菜和浙菜)
2.西餐厨房—世界上各地游客、商人、文化工作者把数十种餐饮文化带到了中国。如欧洲的法式厨房、意式厨房、俄罗斯厨房、德式厨房、地中海厨房、土耳其厨房,同时也有以中餐变化的日式料理、韩式料理、越南柬埔寨厨房,以及其他特色的印度厨房、巴基斯坦厨房等。每一种都有自身的特色加工设备和布局都有所不同。
3.快餐厨房—按照现在高效节奏的工作要求,快餐厨房进入了我们的生活,快餐厨房是将半成品进行加热、烘烤、蒸煮等。快餐厨房有很大的发展空间。目前,百姓厨房、放心早餐。
4.风味厨房—各种风味的食品都有自己特定的工艺和设备,所以风味厨房也成为分类的一种。例如岐山面馆和火锅城就大不相同。而风味食品是中国广大的疆域,多民族的饮食文化所形成的一种饮食财富。随着风味食品,地方特色的不断挖掘。风味厨房的比例今越来越大。
5.自助餐厨房—自助餐的流行是当前发展的趋势。正餐、零点餐、中餐之外新发展的就餐方式。这种餐房是建立在卫生安全的分餐制基础之上。经过非典的经历和教训。自助餐能过满足各内人群的需要。所以今天更多成为在城市工作的人群选择。
D.按性质划分:
1、宴会厨房—以准备会议、宴席为主的大型厨房 。机械化程度较高,设备的加工能力较强。有一定的半成品储藏能力,而且有相当规模的备餐区域。2000年时50桌已经是很大规模了,而现在西安千人宴会厅至少有三座。而且有的星级酒店也在筹备千人宴会厅。因为农村风俗的改变,对卫生要求越来越高,这样更多的集体宴席选择酒店。
2、营业厨房—纯商业性的厨房,有特定的股客流,有相对稳定的经营品种。
3、营养厨房—跟随科学、营养学的发展。人们越来越认识到饮食习惯、饮食方式、时间、餐饮食堂食材,对人体的健康有很大的影响。例如陕西、甘肃省的高盐饮食造成高血压病流行。山西、豫北地区的使用酸菜习惯会造成消化系统癌症高发。重庆地区发霉的粮食和腌制品造成侏儒儿童出生率高于国内平均水平。
4、团膳厨房--非营业性,集体就餐的厨房。
5、特种厨房--为特殊需要、特定环境、特殊地区而设置的厨房。
E.按历史发展划分
厨房区域划分为非食物处理区和食物处理区
非食物处理区主要包括:收货部、男女更衣室、洗手间、员工休息间、办公室或充值办公室、员工淋浴间、杂品仓库、垃圾间(垃圾冷库)、垃圾分检处理间。
食物处理区主要包括:食材检验室、储存区(主食库/副食库/调料库/冷库/海鲜池或鱼池)、烹调区(主操作区/烧腊间/鲍鱼间等)、蒸煮区、粗加工区 冷菜区(凉菜间/水果间/刺生等)、洗碗区、备餐区。
厨房组成系统
供水系统(冷热水)、排水系统、动力配电系统 、 照明系统、燃气系统、 燃油系统、蒸汽系统、燃煤(木柴)系统、排油烟系统、鲜风系统
厨房太阳能系统、油烟净化系统、污水处理系统、检验检疫系统、噪音震动治理系统、食品安全保障系统、厨房防疫系统、垃圾处理系统、
厨房灭火系统、厨房消防系统、厨房弱电系统、厨房点菜系统、厨房售饭系统、厨房节能减排系统、瓶装液化气房系统、厨房水处理系统、
余热利用系统、厨房空调系统、厨房物流系统、厨房智能系统、厨房火烟处理系统、食品加热保温系统、厨房监控系统、厨房热转换系统
厨房防雷系统
厨房设备构成
1、副食烹饪区
副食烹饪区基本设备:
1.大锅灶(双眼、单眼大锅灶(炒大锅菜)《必备》
2.炒灶(单眼、双眼炒灶)(炒小锅菜)《选配》
3.工作台 (双层、简易工作台)(打荷)《必备》
4.水池(单槽、双槽水池)(洗涤)《必备》
5.切配台(双层、简易工作台)(切配菜)《必备》
6.货架(骨架式、平板式)(暂存)《选配》
7.冰箱(平冷、四门、六门)(保鲜)《必备》
8.烟罩(油网、运水烟罩)(排烟)《必备》
厨房副食烹饪区3D效果图

副食烹饪区

副食烹饪区基本设备

主食烹饪区基本设备

主食烹饪区基本设备:
1.大锅灶(双眼、单眼大锅灶(煮面、蒸点)《必备》
2.蒸箱(单门、双门蒸柜)(蒸饭、面点)《选配》
3.夹层锅(100L、200L)(熬汤、稀饭)《选配》
4.电饼档、烤箱(一、二、三层)(面包、西点)《选配》
5.工作台(双层、简易工作台)(打荷)《必备》
6.水池(单槽、双槽水池)(清洗)《必备》
7.切配台(双层、简易工作台)(切配菜)《必备》
8.货架(骨架式、平板式)(暂存)《选配》
9.冰箱(平冷、四门、六门)(保鲜)《必备》
10.烟罩(油网、运水烟罩)(排烟)《必备》
主食烹饪区3D效果图

主食烹饪区基本设备

厨房主食烹饪区

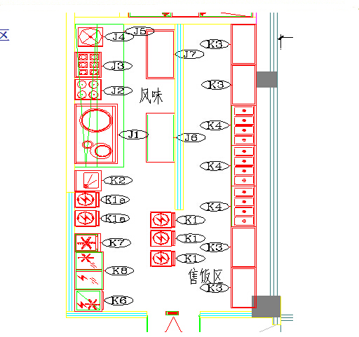
风味烹煮区

风味烹煮区基本设备:
1.水池(单槽、双槽水池)(清洗)《必备》
2.工作台(双层、简易)(打荷、切配)《必备》
3.煮面炉(四头、六头)(煮面、烫菜)《选配》
4.蒸包炉(四眼、六眼)(小笼、汤包)《选配》
5.烟罩(油网、运水)(排油烟)《必备》
6.煲仔炉(四头、六头)(砂锅)《选配》
7.快速炉(单眼、双眼)(炒面、炒饭)《选配》
8.平扒炉(坑扒、平扒)(煎炒)《选配》
9.炸炉(单缸、双缸)(炸制)《选配》
电饼档(台式、立式)(烙饼)《选配》
风味烹煮区基本设备3D效果图

面点间

面点间基本设备
1.冰柜(平冷、四门、六门)(保鲜)《必备》
2.货架(骨架式、平板式)(暂存)《选配》
3.木案工作台(搓揉面胚)《必备》
4.面粉车(暂存面粉)《必备》
5.水槽(单槽、双槽 清洗)《必备》
6.搅拌机(20L、30L 拌陷)《选配》
7.压面机(制面条)《必备》
8.和面机(和面)《必备》
9.馒头机(制作馒头)《选配》
10豆浆机(研制豆浆)《选配》
11.饼盆车(存放)《选配》
12.调料柜(存放)《选配》
面点间基本设备3D效果图

凉菜间

凉菜间基本设备
1.洗手水槽(单槽、双槽)《必备》
2.微波炉(加热)《必备》
3.调理台(单向、双向 存放)《必备》
4.平冷工作台(双门、三门 保鲜)《必备》
5.紫外线杀菌灯(空气杀菌消毒)《必备》
6.四门冰柜(保鲜)《必备》
7.水池(单槽、双槽)《必备》
8.四层货架(平板式)《选配》
9.储物柜《选配》
凉菜间基本设备3D效果图
饭菜售卖区

饭菜售卖区基本设备
1.洗手水槽(单槽、双槽 清洗)《必备》
2.储物柜《选配》
3.单水槽(单槽、双槽)《必备》
4.工作台( 双层、简易)《必备》
5.保温台(四格、五格)《必备》
6.米饭汤保温车《必备》
7.筷子消毒车《必备》
饭菜售卖区3D效果图

洗消间

洗消间基本设备
1.活动垃圾桶(存放垃圾)《选配》
2.残渣台(清理餐盘)《必备》
3.浸泡池(浸泡 清洗)《必备》
4.牛眼罩(排烟)《必备》
5.洗碗机《选配》
6.高压花洒(高压冲洗)《选配》
7.活动工作台(搬运)《选配》
8.消毒柜(单门、双门)《必备》
9.开水器《选配》
10.碗柜(储存)《必备》
厨房洗消间基本设备3D效果图

粗加工区

蔬菜粗加工区基本配置
1.四层货架《必备》
2.刀具消毒柜《选配》
3.工作台《必备》
4.切菜机《选配》
5.脱皮机《选配》
6.刹菜机《选配》
7.大水槽工作台《必备》
肉类粗加工区基本配置
1.四层货架《必备》
2.冰柜《必备》
3.刀具消毒柜《选配》
4.工作台《必备》
5.切肉片机《选配》
6.砧墩架《选配》
7.大水槽工作台《必备》
8.双水槽工作台《必备
厨房蔬菜、肉类粗加工区基本配置3D效果图

主食、副食库

主食、副食库基本设备
1.平板车《选配》
2.米面架《必备》
3.四层货架《必备》
4.纱门柜《必备》
厨房主食、副食库基本设备3D效果图

冷冻冷藏库

冷冻冷藏库基本设备
1.组合式冷藏库
2.组合式冷冻库
3.四层货架
冷冻冷藏库基本设备3D效果图

厨房整体3D效果图

商用厨房操作间设备3D效果图


最新产品
同类文章排行
- 喷射式洗碗机的工作原理
- 影响商用洗碗机清洁能力的四大要素
- 高频静电油烟净化器有哪些特点
- 连锁商用厨房工程设计时需要注意哪些问题
- 餐饮店厨房设备
- 餐饮店厨房设备
- 商用厨房工程中排水设计的小细节
- 节能商用厨房工程的设计思路
- 陕西大明<201燃气煲仔炉>系列
- 陕西大明<201燃气矮汤炉>系列
ATY(中国)一站式服务官网文章
您的浏览历史







大明厨具官方微信
大明厨具官方微博